- 详细信息
适用范围
■爆炸性气体混合物危险环境:1区、2区。
■爆炸性气体混合物:ⅡA、ⅡB、ⅡC。
■温度组别:T1~T6.
■爆炸性粉末危险场所:11区。
■温度组别:T11-T13产品特点
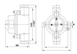
■外壳为增安型结构,采用高强度难燃塑料压制而成,外形美观且具有抗静电耐冲击及稳定性好又耐腐蚀等优良性能。
■内装为隔爆元件,控制开关有多种规格可任意选配。
适用范围
■爆炸性气体混合物危险环境:1区、2区。
■爆炸性气体混合物:ⅡA、ⅡB、ⅡC。
■温度组别:T1~T6.
■爆炸性粉末危险场所:11区。
■温度组别:T11-T13
产品特点
■外壳为增安型结构,采用高强度难燃塑料压制而成,外形美观且具有抗静电耐冲击及稳定性好又耐腐蚀等优良性能。
■内装为隔爆元件,控制开关有多种规格可任意选配。
