- 详细信息
适用范围:
■爆炸性气体环境:1区、2区;
■爆炸性气体混合物:ⅡA、ⅡB、ⅡC;
■温度组别:T1~T6;
■防爆标志:ExdeⅡBT4。产品特点:
■铸铝合金外壳表面喷塑。
■内装转换开关,用于电流100A以下的电气线路中,作为电源引入开关,并可控制电动机起动、变速、停止、换向等。
■钢管或电缆布线均可。额定电压V 额定电流A 防护等级 防爆标志 进线口螺纹 380 15,30,60,100 IP54 EXD II T6 3/4 
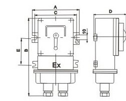
适用范围:
■爆炸性气体环境:1区、2区;
■爆炸性气体混合物:ⅡA、ⅡB、ⅡC;
■温度组别:T1~T6;
■防爆标志:ExdeⅡBT4。
产品特点:
■铸铝合金外壳表面喷塑。
■内装转换开关,用于电流100A以下的电气线路中,作为电源引入开关,并可控制电动机起动、变速、停止、换向等。
■钢管或电缆布线均可。
| 额定电压V | 额定电流A | 防护等级 | 防爆标志 | 进线口螺纹 |
| 380 | 15,30,60,100 | IP54 | EXD II T6 | 3/4 |
